Process Visualization #
The Process Visualization component enables real-time monitoring and analysis of production processes, ensuring efficiency and optimization. Various industrial equipment and system elements are visualized for better decision-making and operational control.
The system integrates graphical representations of process parameters, alarms, and trends, helping operators maintain optimal system performance.
Examples #
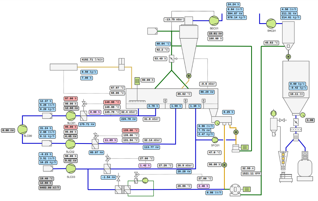
Heat Production Equipment #
Monitors and analyzes heating system operations.

Cooling Production Equipment #
Displays real-time data on cooling systems.

Compressed Air Compressors #
Tracks compressed air usage and system performance.

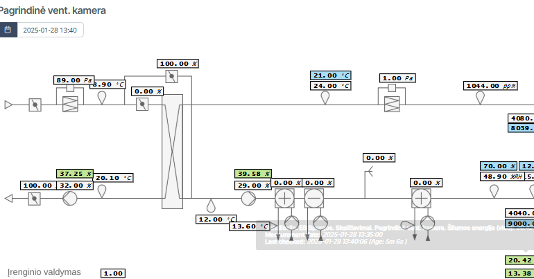
Ventilation Units #
Monitors air circulation and ventilation processes.

Production Process Time Diagrams #
Visual representations of production timelines and efficiency.









